PROGETTI CONSTRUCTION
DELL' OIL & GAS, ENERGIA E INFRASTRUTTURE

RAM - 2024
Revamping
Claus Burner SRU-1

LIFECO 2023/2024
LTP-2222 Replacement of HPCC E-202
in Urea 2 Plant


2019
Ingegneria di Dettaglio Polidisciplinare
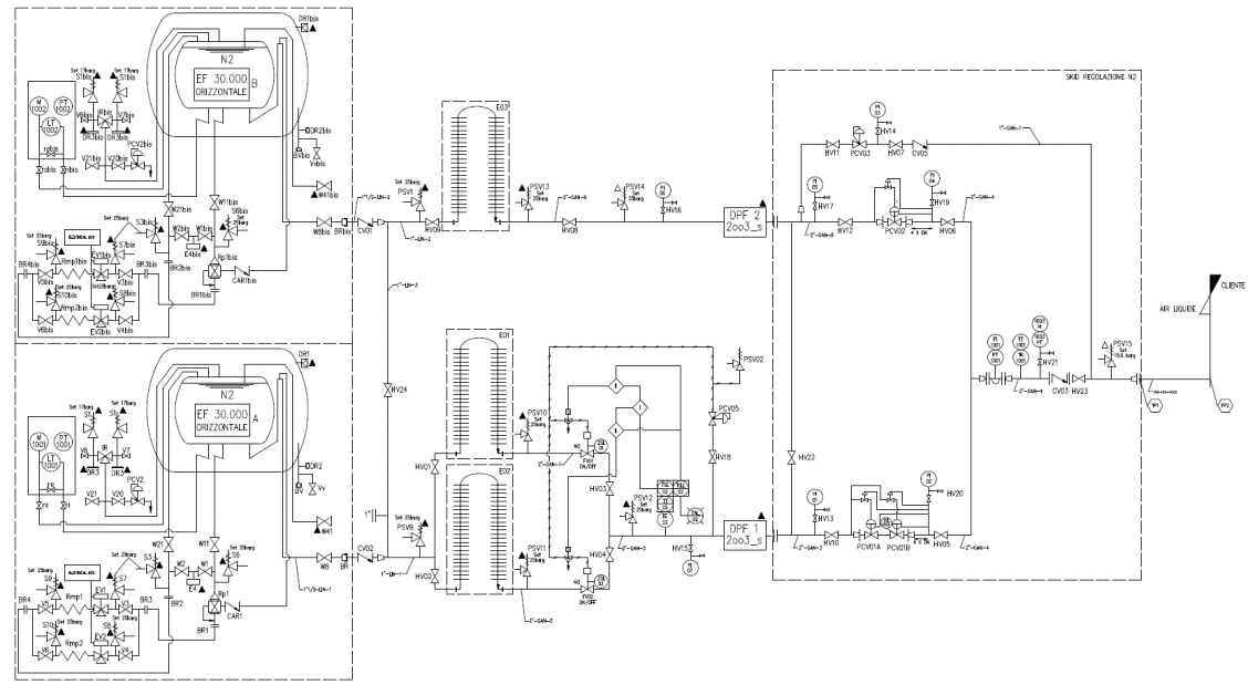
Installazione nuovi serbatoi N2 caricamento ATB
Air Liquide - Raffineria di Gela

Raffineria ISAB Impianti Nord
2018
RICONDIZIONAMENTO PER MESSA
IN SERVIZIO UNITA’ TOPPING CR30
Progettazione, Programmazione, Assistenza, e Coordinamento attività di messa in servizio dell’UNITA’ CR30 (Topping) della Raffineria ISAB Priolo G. con verifica ed adeguamento sismico (NTC2008) dei Pipe Rack e strutture di Reparto, e delle protezioni attive e passive a servizio delle apparecchiature e delle strutture metalliche e in CLS, progetto e certificazione delle protezioni pro VVF ex 818.
Elaborazione Circuiti di Collaudo linee critiche e non, progetti di adeguamento e miglioramento tecnologico.

2018
Studio Rete Acqua di raffreddamento (CW)
SASOL Augusta

2016
PROGETTAZIONE TRABATTELLO
Versalis Ravenna
Progettazione di un trabattello e stesura del manuale (di montaggio, utilizzo, spostamento e smontaggio) da
utilizzare a corredo dei serbatoi a copertura di terra per eseguire CND e le riparazioni sul mantello (in particolare sulle saldature interne dell’apparecchiatura).

RAM Milazzo - 2014
Fornitura EPC
Miglioramento Efficienza Energetica Forno Impianto Topping-3

2014
Anomalie sistema di disidratazione dei fanghi chimici dell’Unità Trattamento Acque di Falda (TAF) dell’impianto Syndial di Priolo Gargallo (SR).

ISAB ENERGY- 2013
Fornitura EPC
Manutenzione Serbatoio 3400-TK-101 - impianto IGCC: bonifica e trattamento fondami mediante centrifugazione e filtropressatura con sostituzione tetto e struttura tetto e lamiere delle ultime due virole.

2013
Ingegneria di Dettaglio Polidisciplinare
Nuovo Impianto (TGC) Trattamento Gas di Coda Impianto CLAUS esistente ed Interconnecting
Saipem - Raffineria di Gela

2010
Studio di fattibilità e stima di costo per nuovo
Centro Oli “Khurbert East Field CPF”
SAIPEM SYRIA

2009
Ingegneria e Costruzione by-pass nuova linea P2 da riser a pontile Raffineria di Gela.

ENI- Raffineria di Sannazzaro
Calcoli FEM di apparecchiature per nuove condizioni di progetto.
Ponterosso Comart S.p.A. è leader nelle soluzioni avanzate di ingegneria multidisciplinare




















































